Электрическая схема AUDI A6 (C6)
-
Aloise
- Любитель

- Сообщений: 57
- Зарегистрирован: 25 май 2016, 16:06
- Темы: 8
- Авто: A6 C6 2.4
- Имя: Алексей
- Статус: Не в сети
Электрическая схема AUDI A6 (C6)
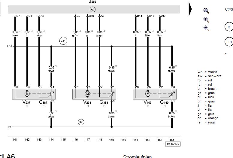
Здравствуйте. С наступающим! Скиньте схему, где видно как к блоку климата J255 подключаются датчик загрязнения воздуха G238 и потенциометры G140, G330, G388. Заранее спасибо!
- DIA
- Аццкий поломастер

- Сообщений: 9329
- Зарегистрирован: 27 июн 2009, 13:35
- Темы: 13
- Авто: Кузнечик корчваген. 1.9 TDI ALH.
- Имя: Игорь.
- Откуда: Минск.
- Статус: Не в сети
Электрическая схема AUDI A6 (C6)
А данные авто не надо? Мод год тип кузова цвет обязательно привлекалась не привлекалась. Под новый год буду кашпировским вот что то ваше не ваше не знаю.
Последний раз редактировалось DIA 31 дек 2018, 12:37, всего редактировалось 1 раз.
Хозяин гатово! что сделали? нет сломали.
-
Aloise
- Любитель

- Сообщений: 57
- Зарегистрирован: 25 май 2016, 16:06
- Темы: 8
- Авто: A6 C6 2.4
- Имя: Алексей
- Статус: Не в сети
Электрическая схема AUDI A6 (C6)
Ой, сорри. А6 С6, 2004 год, двигатель bdw, седан, коробка gyf, серебристой-голубой цвет, не привлекалась.
- dzonisiti
- Новый пользователь
- Сообщений: 4
- Зарегистрирован: 05 янв 2019, 19:07
- Темы: 0
- Авто: Audi 6
- Имя: Dzon
- Статус: Не в сети
Электрическая схема AUDI A6 (C6)
Здравствуйте!
Несколько месяцев назад я обратился в ауди центр с тем, что горел желтый сигнал лампочки.
В заднем правом фонаре пропадал габаритный свет. Мне заменили всю плату заднего фонаря. Проблема исчезла. Но по приезду в Анапу, спустя час, появился вновь этот сигнал желтой лампочки, - появилась новая для авто (ауди 6) проблема.
При включении зажигания левый поворотник работает правильно от 1-3 минут. Затем реле переходит в режим ускоренной работы. Задний левый поворотник отключается!!, в то время как передний левый поворотник работает в ускоренном режиме.
В это время, при нажатие на аварийную треугольную кнопку, также не работает задний поворотник слева. С правой стороны все в порядке.
При включении зажигания первое время 1-3 мин. аварийная кнопка работает правильно.
Странно но этой прблемы не было до устранения проблемы с правой фарой.Езжу без заднего поворотника.Да, лампу проблемного поворотника заменил на новую. Смена аварийной кнопки на новую не дало результата.
Не могу найти причину
Несколько месяцев назад я обратился в ауди центр с тем, что горел желтый сигнал лампочки.
В заднем правом фонаре пропадал габаритный свет. Мне заменили всю плату заднего фонаря. Проблема исчезла. Но по приезду в Анапу, спустя час, появился вновь этот сигнал желтой лампочки, - появилась новая для авто (ауди 6) проблема.
При включении зажигания левый поворотник работает правильно от 1-3 минут. Затем реле переходит в режим ускоренной работы. Задний левый поворотник отключается!!, в то время как передний левый поворотник работает в ускоренном режиме.
В это время, при нажатие на аварийную треугольную кнопку, также не работает задний поворотник слева. С правой стороны все в порядке.
При включении зажигания первое время 1-3 мин. аварийная кнопка работает правильно.
Странно но этой прблемы не было до устранения проблемы с правой фарой.Езжу без заднего поворотника.Да, лампу проблемного поворотника заменил на новую. Смена аварийной кнопки на новую не дало результата.
Не могу найти причину
- DIA
- Аццкий поломастер

- Сообщений: 9329
- Зарегистрирован: 27 июн 2009, 13:35
- Темы: 13
- Авто: Кузнечик корчваген. 1.9 TDI ALH.
- Имя: Игорь.
- Откуда: Минск.
- Статус: Не в сети
Электрическая схема AUDI A6 (C6)
То что там наворотили не поддается никакому здравому смыслу как и вся электрика в этом......, ясно одно что других нет и будем проглатывать что дают мархетологи. Им видите ли не хватило место как у всех авто в бортнесе для задних фар и они эту кухню воткнули в блок комфорта сэкономив пару метров провода зато туда поставили в комфорт интелектуальные ключи стоимость самолета десять раз авто проводом обмотать можно было бы даже обсуждать не хочется этот идиотизм. Вам поможет для понимания SSP326 Удачи. http://www.audi-club.ru/threads/ssp-a6-2005.446692/
Хозяин гатово! что сделали? нет сломали.
- dzonisiti
- Новый пользователь
- Сообщений: 4
- Зарегистрирован: 05 янв 2019, 19:07
- Темы: 0
- Авто: Audi 6
- Имя: Dzon
- Статус: Не в сети
Электрическая схема AUDI A6 (C6)
Спасибо за ответ.
Не понял, где искать поломку? В предохранителях или в электронике..
Отправлено спустя 16 минуты 56 секунды:
Возможно начудили что-то в электронике в Ауди центре
Отправлено спустя 3 минуты 1 секунду:
Что конкретно надо сделать
Не понял, где искать поломку? В предохранителях или в электронике..
Отправлено спустя 16 минуты 56 секунды:
Возможно начудили что-то в электронике в Ауди центре
Отправлено спустя 3 минуты 1 секунду:
Что конкретно надо сделать
- DIA
- Аццкий поломастер

- Сообщений: 9329
- Зарегистрирован: 27 июн 2009, 13:35
- Темы: 13
- Авто: Кузнечик корчваген. 1.9 TDI ALH.
- Имя: Игорь.
- Откуда: Минск.
- Статус: Не в сети
Электрическая схема AUDI A6 (C6)
dzonisiti писал(а):Источник цитаты Не понял, где искать поломку? В предохранителях или в электронике..
Я бы начал с контактов от эбу до лампочки поворота или на борот и правильней от лампочки до эбу.. Поворот задний не работает ведь. Не помогло замена эбу J393 но надо учесть он с защитой компонентов.
Хозяин гатово! что сделали? нет сломали.
- dzonisiti
- Новый пользователь
- Сообщений: 4
- Зарегистрирован: 05 янв 2019, 19:07
- Темы: 0
- Авто: Audi 6
- Имя: Dzon
- Статус: Не в сети
Электрическая схема AUDI A6 (C6)
Спасибо! Буду искать в этом направлении
- platinsss
- Новый пользователь
- Сообщений: 3
- Зарегистрирован: 08 дек 2018, 23:35
- Темы: 0
- Авто: A6 2.5 2.5tdi
- Имя: Саня
- Статус: Не в сети
Электрическая схема AUDI A6 (C6)
Добрый вечер. Может кто поможет поставить ДМВР hitachi на ауди а6с5 2.5 tdi afb. c перепайкой перепрошивкой в ЭБУ
Вернуться наверх
Вернуться наверх
- DIA
- Аццкий поломастер

- Сообщений: 9329
- Зарегистрирован: 27 июн 2009, 13:35
- Темы: 13
- Авто: Кузнечик корчваген. 1.9 TDI ALH.
- Имя: Игорь.
- Откуда: Минск.
- Статус: Не в сети
Электрическая схема AUDI A6 (C6)
platinsss,
Да не вопрос думаю. пару тройку листов дури как на картинке ниже вернут к аутентичности
Да не вопрос думаю. пару тройку листов дури как на картинке ниже вернут к аутентичности

Хозяин гатово! что сделали? нет сломали.
- platinsss
- Новый пользователь
- Сообщений: 3
- Зарегистрирован: 08 дек 2018, 23:35
- Темы: 0
- Авто: A6 2.5 2.5tdi
- Имя: Саня
- Статус: Не в сети
Электрическая схема AUDI A6 (C6)
DIA, ответил в лс
- dzonisiti
- Новый пользователь
- Сообщений: 4
- Зарегистрирован: 05 янв 2019, 19:07
- Темы: 0
- Авто: Audi 6
- Имя: Dzon
- Статус: Не в сети
Электрическая схема AUDI A6 (C6)
Сегодня разобрал фонарь. Действительно окислилась клемма и пин массы. Почистил, обработал, - все заработало. 

- audiovaleriy
- Новый пользователь
- Сообщений: 3
- Зарегистрирован: 14 июл 2020, 15:24
- Темы: 0
- Авто: с6
- Имя: Валерий
- Статус: Не в сети
Электрическая схема AUDI A6 (C6)
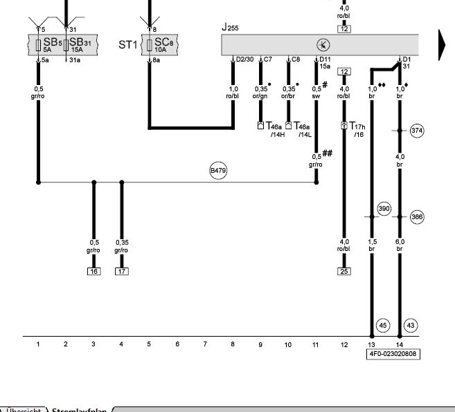
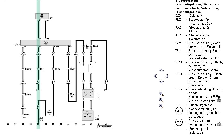
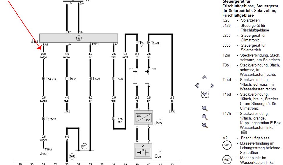
День добрый!Скиньте схему подключения блока управления мотором печки!Интересует куда идёт нога А6 блок J126!Машина ауди А6 С6
- DIA
- Аццкий поломастер

- Сообщений: 9329
- Зарегистрирован: 27 июн 2009, 13:35
- Темы: 13
- Авто: Кузнечик корчваген. 1.9 TDI ALH.
- Имя: Игорь.
- Откуда: Минск.
- Статус: Не в сети
Электрическая схема AUDI A6 (C6)
audiovaleriy писал(а):Источник цитаты Машина ауди А6
Красного или белого цвета, до рестайла или после, Модельный год какой схемы разные могут быть от года выпуска
Первая попавшая по ней на солнечный элемент идет.
Хозяин гатово! что сделали? нет сломали.
- bykot
- Мастер

- Сообщений: 2961
- Зарегистрирован: 06 июн 2011, 11:34
- Темы: 24
- Авто: A6 C6 3ТDI ATQ, A4(B6),1.8T,6АКПП
- Имя: Максим
- Откуда: Минск-Синявка
- Контактная информация:
- Статус: Не в сети
Электрическая схема AUDI A6 (C6)
DIA писал(а):Источник цитаты Понтовоз А6, красного или белого цвета, до рестайла или после
а еще неплохо и мотор указывать, разное бываетhttps://www.drive2.ru/r/audi/a6_avant/469035993442288582/
- audiovaleriy
- Новый пользователь
- Сообщений: 3
- Зарегистрирован: 14 июл 2020, 15:24
- Темы: 0
- Авто: с6
- Имя: Валерий
- Статус: Не в сети
Электрическая схема AUDI A6 (C6)
Ауди А6 С6 2007 2.4 бензин!Не запускается вентилятор печки!Без схемы мозг завис))Совсем забыл)Ошибка в климате "неисправность лин шины"
- DIA
- Аццкий поломастер

- Сообщений: 9329
- Зарегистрирован: 27 июн 2009, 13:35
- Темы: 13
- Авто: Кузнечик корчваген. 1.9 TDI ALH.
- Имя: Игорь.
- Откуда: Минск.
- Статус: Не в сети
Электрическая схема AUDI A6 (C6)
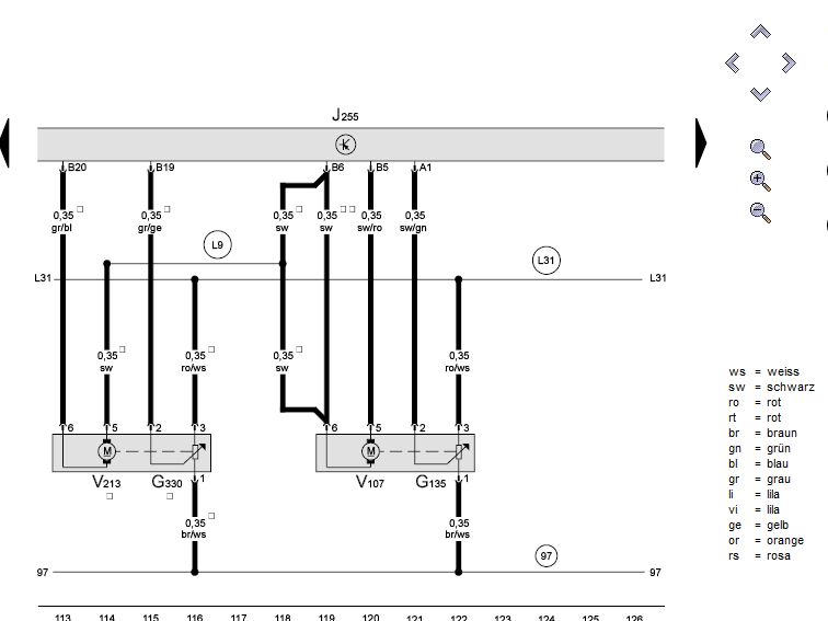
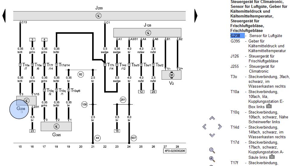
audiovaleriy писал(а):Источник цитаты )Совсем забыл)Ошибка в климате "неисправность лин шины"
Это
. схема ваша, я бы держал курс на А1 это провод связи между климатом и вентилятором, А6 это солнечная батарея если у вас есть 
Отправлено спустя 9 минуты 23 секунды:
Может пригодится. G395 может кирдык может проводка, стоит он там где соли грязи итд итп.
Хозяин гатово! что сделали? нет сломали.
- audiovaleriy
- Новый пользователь
- Сообщений: 3
- Зарегистрирован: 14 июл 2020, 15:24
- Темы: 0
- Авто: с6
- Имя: Валерий
- Статус: Не в сети
Электрическая схема AUDI A6 (C6)
Ребята починилось))Перетёрся провод на датчик давления фреона!Всё заработало!Спасибо
- DIA
- Аццкий поломастер

- Сообщений: 9329
- Зарегистрирован: 27 июн 2009, 13:35
- Темы: 13
- Авто: Кузнечик корчваген. 1.9 TDI ALH.
- Имя: Игорь.
- Откуда: Минск.
- Статус: Не в сети
Электрическая схема AUDI A6 (C6)
audiovaleriy писал(а):Источник цитаты Перетёрся провод на датчик давления фреона!
Когда на схему взглянул и вы дали больше информацию по ошибке то видно что линия заходит и на датчик давления G395 там проводка рождена переламывается коротить провод и добавил его в картинки.
audiovaleriy писал(а):Источник цитаты Спасибо
Удачи

Хозяин гатово! что сделали? нет сломали.
-
Aloise
- Любитель

- Сообщений: 57
- Зарегистрирован: 25 май 2016, 16:06
- Темы: 8
- Авто: A6 C6 2.4
- Имя: Алексей
- Статус: Не в сети
Электрическая схема AUDI A6 (C6)
Здравствуйте. А6 С6, 2004 год, двигатель bdw, седан, коробка gyf. Помогите электросхемами. Нужна схема подключения датчика положения распредвала g163, и схема подключения клапана регулирования фаз грм N208.
Вернуться в «Электрооборудование»
Кто сейчас на форуме
Количество пользователей, которые сейчас просматривают этот форум: нет зарегистрированных пользователей и 2 гостей