Aloise писал(а):Источник цитаты А6 С6, 2004 год, двигатель bdw
Ваш модельный год 2005!

Aloise писал(а):Источник цитаты А6 С6, 2004 год, двигатель bdw



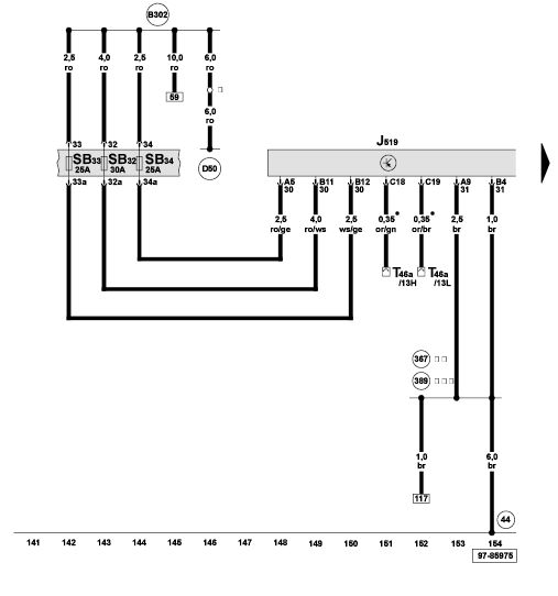
umberto писал(а):Источник цитаты Интересует распиновка блока j519 4F0 910 279 A ауди а6 2006 г.в

umberto писал(а):Источник цитаты Эльзу скачать не смог в виду блокировки рутрекера.
umberto писал(а):Источник цитаты я забил вин в профиле.


umberto писал(а):Источник цитаты Я из Казани
. у вас на по моему на эликоне в те времена выпускали считаю лучшие проигрыватели винила СССР электроника б1-01 клоны торенса 125, красавцы.





Вернуться в «Электрооборудование»
Количество пользователей, которые сейчас просматривают этот форум: нет зарегистрированных пользователей и 2 гостей