Вентилятор печки салона.

Аватар пользователя
yura1983
Любитель
Любитель
Сообщений: 90
Зарегистрирован: 30 окт 2012, 20:02
Темы: 1
Авто: A6,S6 Avant (C5) 2,5TDi 2004г.
VIN: WAUZZZ4BX5N008403
Имя: Юра.
Откуда: г.Солигорск.
Статус: Не в сети

Вентилятор печки салона.

Сообщение yura1983 » 27 июл 2019, 17:21

Перегорает предохранитель под номером 25 (он на 30А) греется сильно и со временем сгорает (может протянуть час, а может и день). При запуске двигателя и климы провода сильно греются готовы оплавиться-возле блока предохранителей питающие вентилятор, и реле 370 очень горячее,минут через 15 провода чуток остывают,но всё равно тёплые,реле 370 очень горячее.
Вася ничего не показывает.
Куда рыть,спасибо.?

Отправлено спустя 3 минуты 22 секунды:
И подскажите сколько ампер должен выдавать вентилятор под нагрузкой и без?

Аватар пользователя
Юра 80
Аудивод
Аудивод
Сообщений: 20894
Зарегистрирован: 12 июн 2009, 19:41
Темы: 423
Имя:
Статус: Не в сети

Вентилятор печки салона.

Сообщение Юра 80 » 27 июл 2019, 20:23

yura1983 писал(а):Источник цитаты провода сильно греются готовы оплавиться-возле блока предохранителей питающие

В правильно заданном вопросе половина ответа. :)
Плохой контакт в блоке предохранителей, он греется.
Как вентилятор может быть под нагрузкой и без?
Если он включен и вращается - он под нагрузкой. Если выключен - не вращается, нагрузки нет и ток не потребляет тоже.
Начните с контакта

Аватар пользователя
yura1983
Любитель
Любитель
Сообщений: 90
Зарегистрирован: 30 окт 2012, 20:02
Темы: 1
Авто: A6,S6 Avant (C5) 2,5TDi 2004г.
VIN: WAUZZZ4BX5N008403
Имя: Юра.
Откуда: г.Солигорск.
Статус: Не в сети

Вентилятор печки салона.

Сообщение yura1983 » 27 июл 2019, 20:33

Я имел в виду сколько ампер выдаёт рабочий вентилятор, на минимальных оборотах и на максимальных.

Аватар пользователя
Юра 80
Аудивод
Аудивод
Сообщений: 20894
Зарегистрирован: 12 июн 2009, 19:41
Темы: 423
Имя:
Статус: Не в сети

Вентилятор печки салона.

Сообщение Юра 80 » 27 июл 2019, 21:14

Встречные вопросы - а ваш сколько потребляет?
Какого номинала предохранитель должен стоять?

Аватар пользователя
Паша
Аудивод
Аудивод
Сообщений: 19175
Зарегистрирован: 12 июн 2009, 17:59
Темы: 221
Авто: Yamaha Tenere 700 (2022)
Имя: Павлентий
Откуда: Минск
Статус: Не в сети

Вентилятор печки салона.

Сообщение Паша » 27 июл 2019, 21:17

yura1983, с предохранителем моторчика печки на Audi A6 C5 частая проблема.
Осмотреть всю проводку и снять вентилятор. Там 95% будет износ коллектора и щеток двигателя. Заменить щетки, почистить коллектор, поставить обратно.

Мощность вентилятора точно не скажу, но думаю 200-250 ватт и 20-25 ампер сила тока. Если вы думаете предохранитель мощнее туда поставить, то точно не нужно.
Audi A6 Avant C4 2.5TDi (AAT) 5МКПП 1997 250.000-325.000 км
Audi A6 Avant C6 2.0TDi (BRF) 6МКПП 2006 205.000-423.000 км
Audi A6 Avant C7 2.0TDi (CGLC) 6МКПП 2014 114.000-200.000 км

Аватар пользователя
yura1983
Любитель
Любитель
Сообщений: 90
Зарегистрирован: 30 окт 2012, 20:02
Темы: 1
Авто: A6,S6 Avant (C5) 2,5TDi 2004г.
VIN: WAUZZZ4BX5N008403
Имя: Юра.
Откуда: г.Солигорск.
Статус: Не в сети

Вентилятор печки салона.

Сообщение yura1983 » 27 июл 2019, 21:49

Предохранитель стоит 30А,вентилятор на минимальных оборотах выдаёт 8-9А ,на максимальных 10-12А.
Сам вентилятор почищен,смазан,щётки сольно не изношены.

Аватар пользователя
Паша
Аудивод
Аудивод
Сообщений: 19175
Зарегистрирован: 12 июн 2009, 17:59
Темы: 221
Авто: Yamaha Tenere 700 (2022)
Имя: Павлентий
Откуда: Минск
Статус: Не в сети

Вентилятор печки салона.

Сообщение Паша » 27 июл 2019, 22:09

yura1983, тогда внимательно осмотрите, как выше Юра написал, проводку и контакты.
Audi A6 Avant C4 2.5TDi (AAT) 5МКПП 1997 250.000-325.000 км
Audi A6 Avant C6 2.0TDi (BRF) 6МКПП 2006 205.000-423.000 км
Audi A6 Avant C7 2.0TDi (CGLC) 6МКПП 2014 114.000-200.000 км

Аватар пользователя
yura1983
Любитель
Любитель
Сообщений: 90
Зарегистрирован: 30 окт 2012, 20:02
Темы: 1
Авто: A6,S6 Avant (C5) 2,5TDi 2004г.
VIN: WAUZZZ4BX5N008403
Имя: Юра.
Откуда: г.Солигорск.
Статус: Не в сети

Вентилятор печки салона.

Сообщение yura1983 » 27 июл 2019, 22:20

А релюшка 370 не может барахлить?
Горячая ведь очень очень.

Аватар пользователя
Паша
Аудивод
Аудивод
Сообщений: 19175
Зарегистрирован: 12 июн 2009, 17:59
Темы: 221
Авто: Yamaha Tenere 700 (2022)
Имя: Павлентий
Откуда: Минск
Статус: Не в сети

Вентилятор печки салона.

Сообщение Паша » 27 июл 2019, 22:35

yura1983, может быть все что угодно.
Давайте разбираться тогда с самого начала. Какие потребители висят на предохранителе номер 25? Может не в печке дело?
Предохранитель может китай какой и тупо не соответствует номиналу?

Отправлено спустя 3 минуты 29 секунды:
yura1983, попробуйте отключить компрессор кнопкой "Econ" и понаблюдайте за предохранителем. Еще бы глянуть реле 370 что включает?
Audi A6 Avant C4 2.5TDi (AAT) 5МКПП 1997 250.000-325.000 км
Audi A6 Avant C6 2.0TDi (BRF) 6МКПП 2006 205.000-423.000 км
Audi A6 Avant C7 2.0TDi (CGLC) 6МКПП 2014 114.000-200.000 км

Аватар пользователя
yura1983
Любитель
Любитель
Сообщений: 90
Зарегистрирован: 30 окт 2012, 20:02
Темы: 1
Авто: A6,S6 Avant (C5) 2,5TDi 2004г.
VIN: WAUZZZ4BX5N008403
Имя: Юра.
Откуда: г.Солигорск.
Статус: Не в сети

Вентилятор печки салона.

Сообщение yura1983 » 28 июл 2019, 17:58

Предохранитель номер 25 отвечает за вентилятор печки-обдува,Предохранитель нормальный.
Сегодня предохранитель не перегорал,а провода очень сильно грелись,но минут через 15 остывали и всё нормально.
Получается греются провода-почти плавятся, только при запуске,получается идёт очень большая нагрузка при запуске климы,причём пробовал запускать в любом режиме,одно и тоже.
Почему?

Аватар пользователя
Юра 80
Аудивод
Аудивод
Сообщений: 20894
Зарегистрирован: 12 июн 2009, 19:41
Темы: 423
Имя:
Статус: Не в сети

Вентилятор печки салона.

Сообщение Юра 80 » 29 июл 2019, 06:58

Провода по всей длине греются или
yura1983 писал(а):Источник цитаты возле блока предохранителей

Аватар пользователя
DIA
Аццкий поломастер
Аццкий поломастер
Сообщений: 9329
Зарегистрирован: 27 июн 2009, 13:35
Темы: 13
Авто: Кузнечик корчваген. 1.9 TDI ALH.
Имя: Игорь.
Откуда: Минск.
Статус: Не в сети

Вентилятор печки салона.

Сообщение DIA » 29 июл 2019, 08:51

Что не дает подкинуть другой мотор, у вас мотор дуба врезал.
Хозяин гатово! что сделали? нет сломали.

Аватар пользователя
Паша
Аудивод
Аудивод
Сообщений: 19175
Зарегистрирован: 12 июн 2009, 17:59
Темы: 221
Авто: Yamaha Tenere 700 (2022)
Имя: Павлентий
Откуда: Минск
Статус: Не в сети

Вентилятор печки салона.

Сообщение Паша » 29 июл 2019, 09:18

yura1983,без компрессора пробывали климат-контроль запускать, как я выше писал? В любом режиме - это и есть с "AC" и без него?

По предохранителю 25 на 30А:

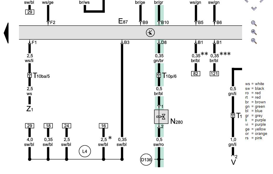
A97-82793.jpg

S225 - Fuse 25 in fuse box
E87 - Control and display unit for air conditioner
ge = yellow
sw = black
bl = blue

Информация официальная из ELSA конкретно по вашему VIN номеру. Предохранитель идет на блок климат-контроля. В нем и нужно искать проблему.

Отправлено спустя 1 час 6 минуты 47 секунды:
Дальше глянул схему. Получается на блок идет индикация с мотора. Все-таки предохранитель 25 на мотор печки идет, но дальше уходит на реле доп отопителя:

A97-82790.jpg

A97-82793.jpg

V2 - Fresh air blower
J8 - Auxiliary heater relay

Я бы предложил скинуть фишку с вентилятора печки и попробовать запустить климат. Так мы исключим ее и точно поймем что не в моторе дело. Есть еще реле, регуляторы и прочее.

Отправлено спустя 1 час 5 минуты 12 секунды:
Ищу назначение реле 370 и наткнулся на тему в этом же разделе у нас на форуме: очень греется реле 370.

Отправлено спустя 1 час 50 минуты 11 секунды:
Вот видео с реле под рулем:


В нем автор говорит что 370 реле опциональное и может идти на вентилятор или кондиционер.

Давайте моторчик печки исключим, как выше написал, потом дальше будем копать.
Audi A6 Avant C4 2.5TDi (AAT) 5МКПП 1997 250.000-325.000 км
Audi A6 Avant C6 2.0TDi (BRF) 6МКПП 2006 205.000-423.000 км
Audi A6 Avant C7 2.0TDi (CGLC) 6МКПП 2014 114.000-200.000 км

Аватар пользователя
yura1983
Любитель
Любитель
Сообщений: 90
Зарегистрирован: 30 окт 2012, 20:02
Темы: 1
Авто: A6,S6 Avant (C5) 2,5TDi 2004г.
VIN: WAUZZZ4BX5N008403
Имя: Юра.
Откуда: г.Солигорск.
Статус: Не в сети

Вентилятор печки салона.

Сообщение yura1983 » 29 июл 2019, 14:52

Я тоже грешу на вентилятор.
Пробовал подключать другой вентилятор,купил на разборке,таже фигня.Может тупо не повезло?

Аватар пользователя
Паша
Аудивод
Аудивод
Сообщений: 19175
Зарегистрирован: 12 июн 2009, 17:59
Темы: 221
Авто: Yamaha Tenere 700 (2022)
Имя: Павлентий
Откуда: Минск
Статус: Не в сети

Вентилятор печки салона.

Сообщение Паша » 29 июл 2019, 15:27

Паша писал(а):Источник цитаты без компрессора пробовали климат-контроль запускать, как я выше писал?

Паша писал(а):Источник цитаты Я бы предложил скинуть фишку с вентилятора печки и попробовать запустить климат. Так мы исключим ее и точно поймем что не в моторе дело.

yura1983, пожалуйста, давайте эти две вещи проделаем.
Audi A6 Avant C4 2.5TDi (AAT) 5МКПП 1997 250.000-325.000 км
Audi A6 Avant C6 2.0TDi (BRF) 6МКПП 2006 205.000-423.000 км
Audi A6 Avant C7 2.0TDi (CGLC) 6МКПП 2014 114.000-200.000 км

Аватар пользователя
yura1983
Любитель
Любитель
Сообщений: 90
Зарегистрирован: 30 окт 2012, 20:02
Темы: 1
Авто: A6,S6 Avant (C5) 2,5TDi 2004г.
VIN: WAUZZZ4BX5N008403
Имя: Юра.
Откуда: г.Солигорск.
Статус: Не в сети

Вентилятор печки салона.

Сообщение yura1983 » 01 авг 2019, 06:13

Да пробовал,без компресора,провода не греются.
Только я ж говорю,купил на разборке вентилятор,поставил,таже фигня.
Провода нагреваются очень сильно,и минут через 15 остывают,но предохранитель больше не перегорает,но почему в эти 15 минут идёт такая нагрузка что провода почти плавятся?

Аватар пользователя
Паша
Аудивод
Аудивод
Сообщений: 19175
Зарегистрирован: 12 июн 2009, 17:59
Темы: 221
Авто: Yamaha Tenere 700 (2022)
Имя: Павлентий
Откуда: Минск
Статус: Не в сети

Вентилятор печки салона.

Сообщение Паша » 01 авг 2019, 11:09

yura1983, Вы не до конца сделали, то что я прошу:

Паша писал(а):Источник цитаты Я бы предложил скинуть фишку с вентилятора печки и попробовать запустить климат. Так мы исключим ее и точно поймем что не в моторе дело.


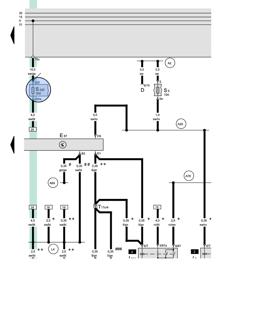
Дальше по схеме видно, что есть контроллер (регулятор оборотов) мотора печки, который управляет оборотами вентилятора. Стоит он там же под бардачком, но чуть дальше на воздуховоде. Нужно проверить моторчик вентилятора печки и регулятор этого моторчика. Чтобы это сделать нужно снять разъем с вентилятора и попробовать. Если предохранитель будет дальше перегорать и проводка греться, то снять разъем с регулятора и подать питание на вентилятор напрямую. Опять проверить - греется ли проводка, перегорает ли предохранитель. Как только проблема исчезнет - мы поймем в чем дело или сможем исключить одно из устройств в цепи.


А теперь самое главное.
yura1983 писал(а):Источник цитаты Да пробовал,без компрессора,провода не греются.

Вот одна из вероятных причин. Нужно найти включающее компрессор реле под капотом, извлечь его, осмотреть. Также проверить проводку до реле (черно-синий провод) и после реле к муфте компрессора (зелено-коричневый провод). Скорее всего они повреждены.


yura1983, в итоге, еще раз повторю, что нужно проверить:
- вентилятор печки (хотя уже ставили б/у, а это на половину снимает подозрения с него);
- блок управления электродвигателем вентилятором печки;
- реле включения муфты компрессора и проводку до/после.

Жду от Вас ответ по этим пунктам :hi:

Отправлено спустя 18 минуты 5 секунды:
yura1983, еще поправочка по поводу реле муфты компрессора. У Вас модельный 2005 год - рестайлинг, а там уже (после 2002 года) вместо муфты клапан N280. Значит Вам смотреть проводку к этому клапану и после него, также разъем на самом компрессоре. Я бы начал с компрессора, может окислилось или сгнило что-то со временем.

A97-82285.JPG

A87-10009.jpg
A87-10009.jpg (59.43 KiB) 26437 просмотра
Audi A6 Avant C4 2.5TDi (AAT) 5МКПП 1997 250.000-325.000 км
Audi A6 Avant C6 2.0TDi (BRF) 6МКПП 2006 205.000-423.000 км
Audi A6 Avant C7 2.0TDi (CGLC) 6МКПП 2014 114.000-200.000 км

Аватар пользователя
yura1983
Любитель
Любитель
Сообщений: 90
Зарегистрирован: 30 окт 2012, 20:02
Темы: 1
Авто: A6,S6 Avant (C5) 2,5TDi 2004г.
VIN: WAUZZZ4BX5N008403
Имя: Юра.
Откуда: г.Солигорск.
Статус: Не в сети

Вентилятор печки салона.

Сообщение yura1983 » 02 авг 2019, 09:47

Так и есть,была повреждена проводка после реле к муфте компрессора (зелено-коричневый провод), также был очищен разъем на самом компрессоре ибо был сильно окислен аж зелёный,пока всё хорошо,поезжу с недельку посмотрю.

Аватар пользователя
Паша
Аудивод
Аудивод
Сообщений: 19175
Зарегистрирован: 12 июн 2009, 17:59
Темы: 221
Авто: Yamaha Tenere 700 (2022)
Имя: Павлентий
Откуда: Минск
Статус: Не в сети

Вентилятор печки салона.

Сообщение Паша » 02 авг 2019, 09:53

yura1983, пожалуйста :hi:
Audi A6 Avant C4 2.5TDi (AAT) 5МКПП 1997 250.000-325.000 км
Audi A6 Avant C6 2.0TDi (BRF) 6МКПП 2006 205.000-423.000 км
Audi A6 Avant C7 2.0TDi (CGLC) 6МКПП 2014 114.000-200.000 км


Вернуться в «Охлаждение, отопление и кондиционирование»

Кто сейчас на форуме

Количество пользователей, которые сейчас просматривают этот форум: нет зарегистрированных пользователей и 1 гость